Trzask prask i po trzasku

Z Technique.pl
Skocz do: nawigacja, szukaj

Wstęp historyczny

Moje przygody z winylami powoli zbliżają się do kolejnej okrągłej różnicy. Przychodzą mi do głowy kolejne refleksje i nakłaniają do kolejnych uogólnień czy podsumowań. Tak to już jest, że immanentną cechą płyty winylowej są trzaski wywołane rysami, ale także brudem panującym w fabrykach. W moim przypadku winylowego weterana dodatkowo pozostał pewna trauma związana z kolekcjonowaniem płyt w latach 60-tych. Jak wiadomo, celem zasadniczym była możliwość słuchania płyt "zachodnich" wobec powiedzmy to oględnie skromnej oferty ówczesnej radiofonii. Nie mniej płyty pojawiały się ale jak się już pojawiły to ich liczba odniesiona do liczby chętnych do słuchania była bardzo skromna. Płyty były więc wysłuchiwane do upadłego krążyły bowiem drogą wymiany między poszczególnymi winylowcami. Winylowcy zresztą tworzyli mały krąg w porównaniu do fonoamatorów których od czasu pojawienia się tanich szpulowców było całkiem sporo. To oznaczało, że przeciętna płyta jak nam trafiał do rąk był bardziej lub mniej, jak to mawiano, "złojona". I to wrażenie oczekiwania na trzask lub przeskok towarzyszy winylowcom starej daty podobnie jak oczekiwanie na nieznośny ból towarzyszyło wtedy zasiadaniu na fotelu dentystycznym. Przypominam przy okazji że stomatologów wówczas nie było przybyli do Polski później...

To dlatego część z nas zafascynował się płytami CD które zaczęły się pojawiać na rynku.

Rzecz jasna starym fanatykom zależało wówczas na posłuchaniu ulubionych płyt w pełnej okazałości technicznej czyli bez trzasków i bez oczekiwania na trzaski.

Płyty CD dawały taką nadzieję....

Skąd się wzięły własne CD

Wydawaniu płyt CD towarzyszyły i nadal towarzyszą pewne patologie.

Dla rozwinięcia zagadnienia trzeb jeszcze odrobine tła z epoki. No właśnie kiedy płyty CD zawitały do Polski ? No to może najpierw kiedy zawitały w ogóle ? Ja pierwsze wzmianki znalazłem w czasopismach branżowych w roku 1978, ale można umownie uogólnić że CD to lat 80-te. Kiedy technologia trochę już okrzepła zaczęło się okazywać, że za łatwością produkcji płyt nie nadąża gorączka twórca autorów muzyki. Stworzyło to konieczność wznawiania na CD dobrze już znanego z płyt winylowych repertuaru. I tak nowi użytkownicy przenosili stopniowo swoje zbiory na inny nośnik co otworzyło szeroki strumień kasy dla płytowych wytwórni.

Jednocześnie rynek zaczynał się odrywać od klasycznych torów ekonomicznych i zaczęło dominować "pozycjonowanie cenowe" produktów.

Przypominam, że CD konkurowało wówczas z kasetą magnetofonową (typu Compact) Wyprodukowanie kasety było wielokrotnie droższe niż wyprodukowanie CD, ale w sklepie płyta CD była wielokrotnie droższa od kasety.

Łowcy kasy mieli na początku obawy że mała płyta 15x12 cm może być podejrzliwie traktowana przez nabywców bo taki mały przedmiot za tyle pieniędzy... Pierwsze dostępne w Polsce CD były pakowane w pudełka o wymiarach około 15x30cm aby wyglądały dostojniej i czyniły rozstanie się z kasą mniej bolesnym. Powtarzało się to potem wielokrotnie np. przy pakowaniu procesorów do PC w pudła o objętości kilku litrów.

Tak czy inaczej pierwsze Cd w Polsce pochodziły z prywatnego importu i nie występowały jako powszechne zjawisko.

Jeśli chodzi o sam sposób wznawiania płyt winylowych na CD, to szybko pojawiło się zjawisko drenażu kieszeni bowiem:

Na początku wznawiano płyty 1:1 często pozostawiając oryginalną okładkę zmniejszoną z wielkości Lp 32x32 cm (około) do rozmiaru 12x12 cm, co bardzo sprawnie czyniło ją nieczytelną.

W kolejnym kroku zaczęto na CD mieszczące z założenia 74 min pakować tyle muzyki ile się tylko da i tak pojawiły się wersje 2 in 1 przy czym zdarzało się, że niekoniecznie to 2 chciało się zmieścić na tym 1

Pojawiła się też metoda skutecznie drenująca kieszenie fanów czyli Bonus Tracks, która jest skutecznie stosowana do dziś, a nawet zagościła na winylach.

Z oczywistych względów nie udało się wznowić wszystkiego na raz, a kolejność pojawiania się płyt dla kolekcjonerów zbierających kompletami (czyli wszystkie płyty jednego wykonawcy) stanowiło to pewien ból.

Kilka przykładów z zakresu popularnych płyt, proszę bardzo.

  • Jimi Hendrix Rainbow Bridge
  • King Crimson Earthbound
  • King crimson USA
  • Rolling Stones Metamorphosis

Bywało też tak, że pierwsze wydania płyt CD pojawiały się jedynie w Japonii lub Korei co skutecznie windowało ich ceny...

dla przykładu:

Dawnymi czasy kolega pożyczył mi biografię Johna Coltrana pt "Chasin' The Trane". W ksiażce tej była dyskografia artysty, którą niemałym wysiłkiem przepisałem sobie ręcznie. W tej to dyskografii była wykazana płyta Gdzie grają raze John Coltrane i Cecil Taylor. W rzeczywistości była to płyta Cecila Taylora... więcej szczegółów w linku zewnętrznym

https://en.wikipedia.org/wiki/Stereo_Drive

Prawdę mówiąc to nie bardzo wierzyliśmy w istnienie tej płyty, a wto że jej kiedyś posłuchamy tym bardziej.

No ale los jet przewrotny :)

W roku 1991 byłem na chwile w Japonii. Mieszkałem w hotelu w Tokio. Okazało się że na parterze zamiast knajpy przewrotni Japończycy robili sklep z płytami. Poszedłem z ciekawości i zakupiłem sobie Coltrane Time wydany na CD prze Toshibę :)

Oczywiście dziś płyta jest dostępna także jako analog.

Te wszystkie okoliczności wymusiły niejako na kolekcjonerach konieczność podejmowania prób samodzielnego tworzenia płyt CD, najpierw przy pomocy nagrywarek stacjonarnych (ten dział pominę), a potem cały proceder przeniósł się na PC-ty PC dawało możliwości tworzenia własnych płyt, także z taśm archiwalnych, ale póki co skupmy się na przegrywaniu winyli na CD. Płyta winylowa musiał być najpierw "wyripowana" czyli uzyskać format wave na komputerze, a dalej można już ją było edytować dowolnie i pojawiła się pokusa poprawiania dźwięku czyli usuwania trzasków czy przeskoków.

Zaczęło się też pojawiać pierwsze oprogramowanie mające za cel generalnie "czyszczenie nagrań".

Mnie udało się przypadkiem znaleźć artykuł na temat takiego programu w jednym z branżowych czasopism.

Nie pisze jakiego, bo po prostu nie pamiętam, ale mam jednocześnie przekonanie, że leży gdzieś w domowym bałaganie i prędzej czy później się odnajdzie i być może posłuży do rozwinięcia tematu.

Czy ten temat jest aktualny w roku 2026 ? Myślę, że tak.

  • Po pierwsze nadal sporo Płyt Winylowych nie zostało wznowione na kompaktach są to rzeczy mocno niszowe np płyty Sun Ra Arkestra.

To dobry przykład bowiem pierwsze CD tego artysty, jakie się pojawiły to był kanon 3-ch płyt z wytwórni ESP. Płyty wydano w Niemczech Zachodnich (było takie państwo) i były ewidentnie przegrywakmi z winyli. Skąd to wiadomo ano trzeszczały. Mijały lata i teraz te płyty powróciły jako winyle. Wytwórnia ESP powstała z popoiołów istnieje, ale jakaś dziwna luka pozwala wydawać wymienione wcześniej 3 płyty w Niemczech na wytwórniach typu

  • Magic Music
  • Happy Bird

Jedne mają okładki stylizowane na prawdziwy ESP inne stylizowane na wydane na samym początku CD, no niezła komedia. Ciekawe czy te winyle mają cały czas trzaski pochodzące od winyli matek z których powstały CD będące matkami nowego pokolenia winyli :)

  • Po drugie własne CD z taśm trzeba by je jakoś sensownie odszumić, co oczywiście nie jest usuwaniem trzasków, lecz zagadnieniem pokrewnym, które realizują zwykle te same programy komputerowe.

Trzaski w XXI wieku

W XXI wieku ale i pod koniec XX trzaski na płytach stały się jakby mniej dokuczliwe ponieważ zadziałało Prawo Wielkich Liczb Wcześnie ktoś kto miał kilkanaście płyt był już zbieraczem. Dla zaspokojenia potrzeb te płyty były młócone bez opamiętania a następnie zmieniały właściciela i nadal były młócone. Średni stan płyty był więc tragiczny. No, ale dostępność płyt stawała się coraz lepsza i wreszcie znikła żelazna kurtyna cenowa kolekcje zaczęły rosnąć. Kolekcje liczące po kilkaset czy nawet 1000+ płyt nie są jakąś egzotyczną rzadkością. Z tego statystycznie wynika, że po pierwszym okresie posiadania płyty słuchania jak częściej w celu przyswojenia zawartości płyta trafia na półkę stanowiąc okrągły przedmiot kolekcjonerski i może tak na półce postać kilka lat nietknięta. Tak czy inaczej płyty trzeszczące nadal występują co spowodowało, że winylowcy nadal chcieli by mieć urządzenie usuwające trzaski z analogów w czasie rzeczywistym...

Usuwanie trzasków

Oprogramowanie rodem z Gdańska

Jak to już wcześniej opisałem wobec braku wznowienia na CD niektórych płyt winylowych i pragnienie tworzenia własnych płyt to że wpadłem na program DART - PRO rodem z Gdańska było cennym doświadczeniem. Intensywnie korzystałem z tego systemu na przełomie wieków. Pewno jest gdzieś w szpargałach jego "instalka", ale podobnie jak czasopisma z jego opisem nie udało się dotąd zlokalizować...

Dart page -3.jpg

Ekran DART-1.jpg

Ekran wersji demo nowszej bo już na XP :), ale bez większego problemu hulającego na 10-ce

Ekran DART-2.jpg

Ekran demo z nieśmiertelnum Marszem Ślubnym Mendelsona

Ekran DART-autorzy.jpg

Chwała autorom tego programu. Uczy filozofii usuwania trzasków łatwo i skutecznie.

SAE 5000 A

Jakby się przyjrzeć uważnie tematowi to zachciankę likwidacji trzasków można było spełnić już pod koniec lat 70-tych Od roku 1978 (to znamienny rok, w którym pierwszy raz natknąłem się na CD o czym wspominałem wcześniej) występuje urządzenie

SAE 5000A-1-con.jpg

źródło: ebay

SAE 5000A Impulse Noise Reduction System

Dla ścisłości to urządzenie jest rozwinięciem SAE 5000 i różni się od niego jedynie niuansami

SAE 5000.jpg

źródło: Hi Fi Engine

Wedle najkrótszego opisu :

Układ usuwania zakłóceń impulsowych zaczyna działać tam, gdzie inne układy przestają Układ zaprojektowano do usuwania trzasków i przeskoków (zakłóceń impulsowych), które są charakterystyczne dla płyt gramofonowych. SAE 5000A czyni słuchalnymi wiele płyt które bez niego byłyby w słuchaniu nieprzyjemnie irytujące z powodu głośnych zakłóceń impulsowych (trzasków). Urządzenie realizuje to zadanie bez ograniczania pasma i bez wpływu na dynamikę.

Podstawowe dane techniczne:

  • Ilość kanałów : 2
  • Sygnał wyjściowy: 2.5V (9V max)
  • Pasmo przenoszenie: 20Hz to 20kHz
  • Odstęp od szumów: 90dB
  • Całkowite zniekształcenia harmoniczne THD: 0.1%
  • Wymiary w calach: 10.75 x 3 x 9.25 inches
  • Waga: 8lbs
  • Rok pojawienia się: 1978

Nasze urządzenie od tyłu wygląda tak:

SAE 5000A-1-con-tyl-2.jpg

To zacne urządzenie nadal występuje na rynku wtórnym, występuje obficie, ale mam na myśli rynek amerykański. Urządzenia robione dla Europy są egzotyczne i taki jest właśnie mój egzemplarz.

Wygląda tak:

Moj egz -1.jpg

Moj egz -3.jpg

Niepozorną ale ważna różnicę stanowi ten napis

Moj egz -2.jpg

Tak urządzenie jest przystosowane do napięcia europejskiego, ale jest przystosowane pozornie

Nie ma tu przełącznika wyboru napięcia tylko transformator zasilający podłączony jest przez opornik...

Jak stwierdził mój Kolega Ekspert, cytuję:

Jeśli dobrze pamiętam to niby było na 220, ale metodą wielkiej grzałki (opornika) co jest takim amerykańskim pójściem na skróty typu "fuck it" i nie jest dobre :) załatwiło okoliczne elektrolity na amen. Znaczy można to włączyć bezkarnie, nie wiem, na 10 minut a potem zacznie hulać szybka degradacja. Szybka pojęcie względne, pewnie wytrzyma wiele dni no, ale w kontekście normalnego stosowania to jest nic.

W najlepszym wypadku urządzenie przestanie poprawnie działać w najgorszym spali nam chałupę...

Generalnie takie postępowanie nosi cechy głębokiego lekceważenia zamorskich klientów no cóż...America First Ciekawe czy w przypadku innych poważniejszych sprzętów też to obowiązuje.

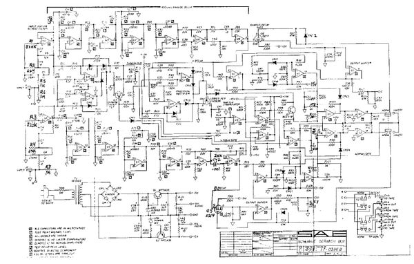
Sae 5000 sch-1.jpg


Project Vinyl-NRS-Box-S3

Vinyl-NRS-Box-S3-Black-1024x576 con-1.jpg

Opis produktu według jednego z jego sprzedawców w Polsce RMS z Białegostoku.

Coś kiedyś kupowałem w tym sklepie i byłem w pełni zadowolony, stąd takie małe podziękowanie w tej formie.

Nie wnikam w szczegóły opisu i nie analizuję ich pod kątem poprawności technicznej


Pro-Ject Vinyl NRS Box S3

Urządzenie, które poprawia jakość starych nagrań, usuwa trzaski i redukuje szumy. Z czasem wszystkie stare płyty winylowe ulegają uszkodzeniom i następuje degradacja ich brzmienia, a nowych często już nie można kupić. Wiele z nich nie jest dostępnych także na platformach streamingowych. Z pewnością lekki szum i trzaski są częścią doświadczania i uroku winyli, ale w pewnym momencie, przy nadmiernych poziomach, staje się to zbyt uciążliwe.

Pro-Ject Vinyl NRS Box S3

Jak to działa?

Podłącz Vinyl NRS Box S3 do wyjścia przedwzmacniacza gramofonowego. Sygnał liniowy zostaje poddany cyfryzacji z 24-bitową głębią i częstotliwością próbkowania 96 kHz. Jeśli poziom sygnału wejściowego będzie zbyt duży, urządzenie zasygnalizuje to na specjalnej diodzie LED. Możesz wtedy aktywować przełącznik -6 dB.

Pro-Ject Vinyl NRS Box S3

Usuwanie, czyli de-cracling trzasków

De cracling noise reduction.jpg

Aby nie zakłócać przetwarzania, sygnał jest filtrowany. Komponenty wysokiej częstotliwości są używane jako wskaźnik trzasków, a dedykowany algorytm jest w stanie wykryć trzaski. Dzięki temu, przy pomocy potencjometra, który znajduje się na froncie urządzenia, możesz łatwo wyregulować czułość algorytmu. Trzaski można zmniejszyć nawet o 8dB, co znacznie poprawia wrażenia słuchowe. Jeśli nie chcesz używać funkcji De-Crackling, wystarczy obrócić potencjometr całkowicie w lewą stronę, co wyłączy algorytm.

Pro-Ject Vinyl NRS Box S3

Winylowy system redukcji szumów (VNRS)

De cracling.jpg

Sygnał jest najpierw rozdzielany na dwie częstotliwości pasma, a następnie jest przekazywany do dwóch ekspanderów, które zwiększają stosunek sygnału do szumu. Przy użyciu tej techniki, żadne modulacje hałasu nie są słyszalne. Pro-Ject Vinyl NRS Box S3 jest w stanie poprawić SNR nawet o 8 dB.

Pro-Ject Vinyl NRS Box S3

Specyfikacja Działanie: liniowe Napięcie wejściowe, typowo: 300-500 mVrms Maks. napięcie wejściowe (obcinanie): 4,4 Vpp, 1,55 Vrms Wskaźnik przesterowania sygnału: -0,6 dB poniżej rzeczywistego przycinania Wewnętrzne próbkowanie: 96 kHz z 24-bitową głębią Przetwarzanie wewnętrzne: akumulator 56-bitowy THD: <0,017% (1500 mVrms poziom wejściowy) Redukcja szumów: do 8 dB (20Hz do 20kHz) Redukcja trzasków: do 8 dB (2kHz do 20kHz) Bypass mode: wejście i wyjście liniowe są połączone galwanicznie

Połączenie i konfiguracja

Vinyl NRS Box S3 jest podłączony między przedwzmacniaczem gramofonowym i przedwzmacniaczem lub wzmacniaczem zintegrowanym i aktywuje się natychmiast po włączeniu. Jeśli nie chcesz z niego korzystać, możesz go wyłączyć, a urządzenie będzie działać wtedy w trybie bypass.

Vinyl NRS Box S3 oferuje dwa algorytmy redukcji trzasków: podstawowy przetwarza sygnał bardzo lekko; zaawansowany jest silniejszy z cięższym przetwarzaniem. Producent zaleca, by zawsze użytkowanie rozpocząć od trybu podstawowego i dostosowywać intensywność za pomocą potencjometru. Jeśli chcesz, tryb zaawansowany włączysz przy pomocy przycisku "Intensity". Dioda LED pokazuje, czy trzaski są zmniejszone. Jeśli jesteś zadowolony z ustawienia De-Crackling, ale nadal słyszysz dużo szumu, możesz aktywować funkcję redukcji szumów winylu, naciskając przycisk VNRS. Jest tylko jedno ustawienie wstępne dla funkcji redukcji szumów winylu i nie można go regulować.

Najważniejsze cechy:

Funkcja redukcji trzasków Redukcja szumów dla płyt winylowych Zmniejszenie hałasu napędu gramofonu Przetwarzanie oparte na 24-bitowym DSP Częstotliwość próbkowania 96 kHz Izolacja galwaniczna, gdy jest wyłączony Idealna charakterystyka transferu i liniowość Usuwanie trzasków z regulacją intensywności Działanie na poziomie liniowym Kompaktowa konstrukcja w standardowej, aluminiowej obudowie z linii S3 Dostępny w kolorze srebrnym lub czarnym Instrukcja obsługi (EN) >>

Funkcjonalność Specyfikacja techniczna Zniekształcenia THD: <0.017% (1500 mVrms Input Level) Pasmo przenoszenia: 20 - 20.000Hz Redukcja szumów: TAK Gwarancja: 24 miesiące

GPSR - informacje: Nazwa firmy: Pro-Ject Audio Systems (Audio Tuning Vertriebs GmbH)

ul. Margaretenstrasse 98 A-1050 Vienna, Austria e-mail: info@project-audio.com

Austriacka marka Pro-Ject należy do największych producentów gramofonów analogowych na świecie. Produkcja przebiega w mieście Litowel (Czechy) dystrybucja na cały świat jest organizowana z Wiednia. Pod względem produkowanych modeli jest PJ absolutnym Nr 1, uznanie zdobywa nawet w krajach, w których analog zdominowały dużo droższe marki.